
東莞電磁鐵廠家--磁心科技研發生產方形推拉電磁鐵、圓形推拉電磁鐵、異形推拉電磁鐵等,根據市場和客戶的需要我們不斷的研發新產品。其中U1040推拉式電磁鐵做工精致,體積小,行程和力量都適中。市場運用非常廣泛,涉及自動化設備、家用電器、汽車配件、紡織機械等產品。產品具體參數如下:
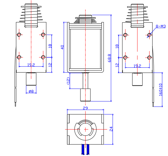
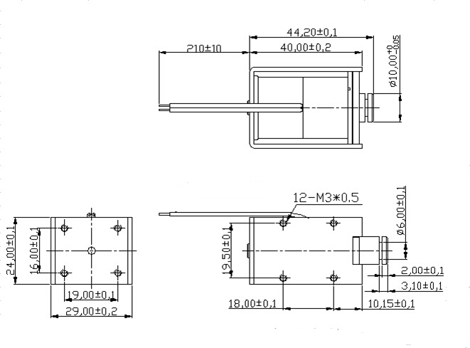
一,U1040推拉式電磁鐵尺寸圖:
1,推式尺寸圖:

2,拉式尺寸圖:

二、U1040推拉式電磁鐵行程和力量曲線圖:

圖解:1,上圖描述的是推拉式電磁鐵的行程和力量曲線圖
橫向:代表電磁鐵行程 單位為毫米(mm)
縱向:代表電磁鐵在對應行程時的力量 單位為克(g)
2,圖中四條線分別代表四種功率以及相應的通電頻率。
三、U1040推拉式電磁鐵通電時間和溫升曲線圖:

四、U1040推拉電磁鐵其它參數:
1,行程和力量:行程曲線圖中有詳細的產品行程和對應的力量以及功率。
2,電壓:一般采用DC12V、24V,其它電壓請告知我們定制。
3,壽命:典型值為100萬次以上。
4,最大行程:12mm,最大力:在5mm行程時可以達到1.5KG.
5,彈簧的彈力:根據的客戶需求而定,如果沒要求我們會按照產品力量最優化設計彈簧彈力。
6,頂桿和滑竿跟外部的鏈接方式:


備注:如果上述產品和您使用的產品有出入,請您致電我們,我們會根據客戶的不同需求設計各種推拉式電磁鐵。磁心科技以技術為核心競爭力,我們有一支從事電磁鐵10多年的工程師。歡迎您致電我們,磁心科技---用心服務。